other

高速带放大探测器

针对国内客户对高速带放大探测器产品全国产化的需求,广州瑞东推出带宽超过 20GHz 产品。本系列高速探测器自带放大,具有非常低的噪声。可用于高速通信系统,飞秒激光器系统的测试,是一款高性价比全国产化产品。广州瑞东自主研发线性电源,可以完全满足高速探测器科研应用的需要

  • 产品详细信息

高速带放大探测器


性能参数


模型

RD4020

波长范围

1000nm-1650nm

3dB截止带宽

20GHz

转换增益

700V/W

饱和光功率

10 mW

上升时间(10%~90%)

<20ps

典型最大响应度

>0.7A/W @1550nm

输出反射系数(S22)

<-11dB

幅度平坦度

<±2dB

最大输出

0.5V

最大入射功率

1mW

探测器材料 / 类型

铟镓砷 / PIN(光电二极管类型)

工作温度

-40℃~85℃

光输入

FC/PC 或 FC/APC

电输出

SMA 或 2.92mm

电源要求

+12V/100mA


图1 电气性能总结


注意事项:PD 的输入最大光功率请勿超过 1mW。如果输入是直流光,功率计得到的光功率和最大光功率相等。如果输入的是其它类型的光,例如脉冲光,最大光功率就是平均光功率除以占空比,例如平均光功率为 1mW,占空比为 0.1%,则最大光功率为 1W。如果是占空比为 50%的方波,则最大光功率为 2mW。如果不确定光功率是否会损坏探测器,建议激光输入 PD 前加衰减器,先把光调到最小,再观察示波器波形,慢慢增加光功率,示波器得到的信号幅度不超过 500mVpp 为最佳。



2 RD4020 脉冲响应曲线


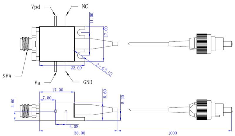
高速探测器机械尺寸图



图3 高速探测器模块机械尺寸图



图4 高速 PD 机械尺寸图



想知道这个产品吗?

发送 信息
留言

如果您对我们的产品感兴趣并想了解更多详细信息,请在此处留言,我们将尽快答复您。

相关产品
高速探测器 高速探测器
针对国内客户高速探测器产品全国产化的需求,广州瑞东经过近2年的研发优化,研制出带宽超过 18GHz 与 40GHz 两款高速 PD 产品。18GHz 上升时间小于 20ps,40GHz PD 上升时间小于 8.5ps,响应度不低于进口 Finisar,thorlabs 等同类进口产品,同时尾部振荡得到了很好的控制。 本系列高速探测器不带TIA,具有非常低的噪声。可用于高速通信系统,飞秒激光器系统的测试,是一款高性价比全国产化产品。瑞东公司自主研发线性电源,可以完全满足高速探测器科研应用的需要。
40G 高速铟镓砷(InGaAs)光电探测器 40G 高速铟镓砷(InGaAs)光电探测器
HSPD4040 型高速探测器模块适用于数字与模拟两种应用场景,模块内置一款铟镓砷 PIN 光电二极管(InGaAs PIN Photodiode),其响应波长范围为 1250-1650nm,并配备必要的匹配电子元件。 HSPD4040 模块的最大带宽可达 40GHz,工作电压为 +5V,兼容标准单模 9/125μm 光纤输入,射频输出端口采用 2.92mm 连接器,阻抗匹配为 50 欧姆。该模块采用密封外壳设计,重量不足 20 克,且符合《关于限制在电子电气设备中使用某些有害成分的指令》2.0 版(ROHS 2.0)标准。
25G SFP28 Transceiver 25G SFP28 BIDI Optical Transceiver
25G SFP28 Bi-direcation optical transceiver module, support 25Gb/s and up to 10 km transmission, it works in high-speed IDC connection solutions, 5G network front-haul solution, and so on.
200G QSFP56 SR4 200G QSFP56 SR4 100m 850nm PM4 Transceiver
Features QSFP56 Serial Optical Interface 4x50G PAM4 retimed 200GAUI-4 C2M electrical interface MPO-12 connector 4 channel VCSEL array and 4 channels PIN photodetector array >Maximum link length of 70m on OM3 or 100m on OM4 QSFP MSA Compliant Hot Pluggable QSFP56 form factor Compliant with SFF8636 Rev 2.10a Support Protocol Compliant with IEEE 802.3cd Low Power Consumption Less than 5W in temperature range of 0 to 70℃ Applications 200GBASE-SR4200G Ethernet Data center
OSFP 400G DR4 400G OSFP DR4 SM MPO12 Optical Transceiver IB
Features Form Factor: Hot-pluggable OSFP form factor Data Rate: Aggregate data rate of 425 Gb/s and Breakout data rate of 106.25 Gb/s Optical Interface: Compliant to 400GBASE-DR4 and 4x100GBASE-DR Transmitter: EML 1310nm transmitter Electrical Interface: Compliant to 400GAUI-4 and 4x100GAUI-1 Receiver: PIN and TIA array on the receiver side Management Interface: I2C management interface Reach: Up to 500m over MPO-12/APC single mode fiber Power consumption: 9 W max Operating case temperature: 0 ~ 70 ℃ Power Supply: Single 3.3V power supply Compliance Form Factor: OSFP MSA Optical: IEEE802.3bs Electrical: IEEE802.3ck Firmware: CMIS Environment: RoHS Stability: GR-468-CORE Applications 400Gb/s Ethernet Data Center InfiniBand
Single fiber 100G DWDM MUX DEMUX 40路 (80波) 单纤双向 DWDM 带INTL端口 波分复用设备
IL<5.5dB , 100GHZ DWDM MUX DEMUX, AAWG Technology Multiplexing of 40 Channels over a Single Fiber Bidi Network with Interleaver filter for long distance application Passive devices, No Power No Cooling Required Support Metro, Regional and Long Haul DWDM Networks
100G QSFP28 DWDM 40GBASE-SR Bi-Directional QSFP+ 850/900nm 100m DOM LC MMF Optical Transceiver Module
40G QSFP+ BIDI optical transceiver module is a pluggable optical transceiver with a duplex LC connector interface for short-reach data communication and interconnect applications using Multi-Mode Fiber (MMF). It offers customers a compelling solution that enables reuse of their existing 10 Gb duplex MMF infrastructure for migration to 40 Gigabit Ethernet connectivity.
Single Fiber 4Channels(8waves) 1470-1610nm CWDM MUX/DEMUX , LC/UPC, Plug-in LGX Box and 2slot 1U Rack Single Fiber 4Channels(8waves) 1470-1610nm CWDM MUX/DEMUX , LC/UPC, Plug-in LGX Box and 2slot 1U Rack
Single-fiber Bidirectional Transmission: Enables 4-channel (8-wavelength) bidirectional transmission over one fiber, supporting 8 types of services. Dual-direction Wavelength Separation: Independent A/B side wavelength ranges (1470–1530nm/1550–1610nm) eliminate interference. Passive Design: No power supply required, ensuring low power consumption and easy maintenance. Flexible deployment: Plug-in LGX module + 2-slot 1U rack, space-saving and easy installation. High Reliability: Low insertion loss (≤2.4dB), high return loss (≥45dB), and wide operating temperature range (-40°C to 85°C). Multi-service Adaptability: Supports 1G/10G Ethernet, SDH/SONET, etc., suitable for broadcast, finance, cloud, and other industries. Intelligent Monitoring: MON port enables online link monitoring without disrupting traffic.
留言
留言
如果您对我们的产品感兴趣并想了解更多详细信息,请在此处留言,我们将尽快答复您。

首页

产品

关于

联系