other

12PIN 微型单路光模块

12PIN微型单路光模块,主要应用于光背板传输、数字雷达阵列、以太网、 Sonet/SDH/FC、交换机等各种数字光纤通信领域,具有体积小、抗振动、抗干扰等特点。模块外形使用全金属结构,采用12Pin排针电 接口,增加I2C 管理接口,优化信号排针设计。内置单路光发射组件和单路光接收组件,工作波长850nm/1310nm/1550nm。工作温度(环境温度)范围为-40℃~85℃。模块支持单通道传输速率1 .25Gbps~10.3125Gbps。

  • 产品详细信息

12PIN 微型单路光模块

 

产品特点


  • 体积小、高可靠、全金属外壳、抗振动设计
  • 工作速率可达10.3125Gbps,向下兼容
  • 采12Pin 排针电接口
  • 低功耗,功耗<1W
  • 工作温度范围-40~+85℃,指标一致性优
  • I2C 串行接口, DDMI数字诊断监控功能

 

应用环境


  • 以太网、 Sonet/SDH/FC
  • 交换机
  • 数字雷达阵列
  • 光背板传输


产品指标


产品型号

通道数

工作波长

单通道传输速率

发射光功率

接收灵敏度

封装结构

工作温度

RM12-6GS10-31I

单模双纤双向

1310nm

6.25Gbps

-5~3dBm

≤-14dBm

结构一

-40~+85℃

RM12-10GS10-31I

1310nm

10.3125Gbps

-5~3dBm

≤-11dBm

结构一

-40~+85℃

RM12-6GS10-55I

1550nm

6.25Gbps

-5~3dBm

≤-14dBm

结构一

-40~+85℃

RM12-10GS10-55I

1550nm

10.3125Gbps

-5~3dBm

≤-11dBm

结构一

-40~+85℃

RM12-6GS10-XXI

CWDM双纤双向

符合ITU-T G694.2标准

6.25Gbps

-5~3dBm

≤-14dBm

结构一

-40~+85℃

RM12-10GS10-XXI

10.3125Gbps

-5~3dBm

≤-11dBm

结构一

-40~+85℃

RM12-6GM03-85I

多模双纤双向

850nm

6.25Gbps

-5~1dBm

≤-14dBm

结构二

-40~+85℃

RM12-10GM03-85I

850nm

10.3125Gbps

-5~1dBm

≤-11dBm

结构二

-40~+85℃

RM12-10G-85M5531S-I

单多模混装双纤双向

850nm T 1550/1330nm R

10.3125Gbps

-5~2dBm

≤-18dBm

结构二

-40~+85℃

RM12-10G-31S85M-I

1310nm T 850nm R

10.3125Gbps

-5~3dBm

≤-11dBm

结构二

-40~+85℃

RM12-10G-XXC85M-I

CWDM波长T  850nm R

10.3125Gbps

-5~3dBm

≤-11dBm

结构二

-40~+85℃


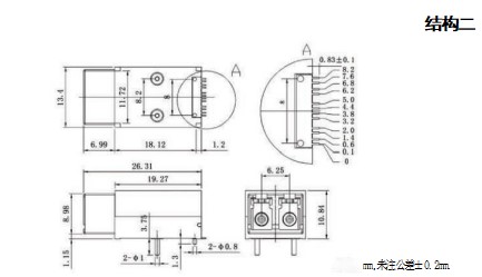
产品尺寸



       


想知道这个产品吗?

发送 信息
留言

如果您对我们的产品感兴趣并想了解更多详细信息,请在此处留言,我们将尽快答复您。

相关产品
10G 1310nm 10km,工业级小型化光模块 10G 1310nm 10KM 双纤 工业级 10PIN 表贴 全国产化 小型化光模块
特性描述 更紧凑的结构设计——模块高度仅12mm 适应于高速信号完整性的表贴I/O引脚 全金属外壳 军品级温度范围,采用抗振动设计 具备接收数据信号检测功能 仅使用+3.3 V单电源 LC接口形式 引脚及安装尺寸全面兼容STRATOS产品
10PIN 微型单路光模块 10PIN 微型单路光模块
10pin微型单路光模块,主要应用于光背板传输、数字雷达阵列、以太网Sonet/SDH/FC、交换机等各种数字光纤通信领域,具有体积小、抗振动、抗干扰等特点。模块外形使用全金属结构,采用10Pin排针作为电接口,内置单路光发射组件和单路光接收组件,工作波长850nm/1310nm/1550nm.工作温度(环境温度)范围为-40℃~85℃。模块支持单通道传输速率1.25Gbps~10.3125Gbps。
SNAP12 系列并行光收发模块 SNAP12 系列并行光收发模块
SNAP12系列并行光收发模块主要应用于光背板、服务器与存储器阵列的互连、雷达处理机等甚短距离的 高速数据通信连接和并行光互连领域,具有电磁辐射小、抗干扰能力强等特点。模块外形尺寸满足SNAP12 MSA协议,采用10×10Pin 可插拔电接口,光接口为可插拔的标准MPO连接器接口,工作温度(环境温度)范围为-40℃~85℃。模块支持单通道传输速率1.25Gbps~10.3125Gbps。
LCC 系列并行光收模块 LCC 系列并行光收模块
LCC 并行光收发模块主要应用于光背板、服务器与存储器阵列的互连、雷达处理机等甚短距离的高速数据 通信连接和并行光互连领域,具有尺寸小,电磁辐射小、抗干扰能力强等特点。模块采用LCC 封装形式, 尾纤光纤接口为标准MT/MPO 接口,工作温度(环境温度)范围为-55℃~85℃。模块支持单通道传输速率1.25Gbps~10.3125Gbps
POB 系列单模4通道并行光收发模块 POB 系列单模4通道并行光收发模块
POB系列单模并行光收发模块主要应用于光背板、服务器与存储器阵列的互连、雷达处理机等甚场景远距 离的高速数据通信连接和并行光互连领域,具有电磁辐射小、抗干扰能力强等特点。模块外形尺寸27mmx27mmx7.8mm,采用10×10Pin LGA连接器,光接口为可插拔的标准MPO连接器接口,工作温度(环境温度)范围为 -40℃~85℃。模块支持单通道传输速率1.25Gbps~10.3125Gbps,传输距离可达10km。
POB24 系列并行光收发模块 POB24 系列并行光收发模块
POB24系列并行光收发模块,主要应用于各种防务通信指挥系统和分系统,其功能是在多路电信号和光信号之间进行转换。模块采用微插座封装结构,密封。模块电连接器为弹片压接式,光接口为24芯MT\MPO连接器。工作温度(环境温度)范围为-40℃~85℃。模块支持单通道传输速率1.25Gbps~10.3125Gbps。
POB48 系列并行光收发模块 POB48 系列并行光收发模块
POB48系列并行光收发模块,主要应用于各种防务通信指挥系统和分系统,其功能是在多路电信号和光信 号之间进行转换。模块采用微插座封装结构,密封。模块电连接器为弹片压接式,光接口为48芯MT\MPO连接器。工作温度(Case温度)范围为-40℃~85℃。模块支持单通道传输速率1.25Gbps~10.3125Gbps。
10G 850nm 300m 双纤 10PIN 表贴 全国产化 工业级 小型化光模块 10G 850nm 300m 双纤 10PIN 表贴 全国产化 工业级 小型化光模块
特性描述 更紧凑的结构设计——模块高度仅12mm 适应于高速信号完整性的表贴I/O引脚 全金属外壳 宽温级温度范围,采用抗振动设计 具备接收数据信号检测功能 仅使用+3.3 V单电源 LC接口形式 引脚及安装尺寸全面兼容STRATOS产品应用
留言
留言
如果您对我们的产品感兴趣并想了解更多详细信息,请在此处留言,我们将尽快答复您。

首页

产品

关于

联系