other

40G 高速铟镓砷(InGaAs)光电探测器

HSPD4040 型高速探测器模块适用于数字与模拟两种应用场景,模块内置一款铟镓砷 PIN 光电二极管(InGaAs PIN Photodiode),其响应波长范围为 1250-1650nm,并配备必要的匹配电子元件。

HSPD4040 模块的最大带宽可达 40GHz,工作电压为 +5V,兼容标准单模 9/125μm 光纤输入,射频输出端口采用 2.92mm 连接器,阻抗匹配为 50 欧姆。该模块采用密封外壳设计,重量不足 20 克,且符合《关于限制在电子电气设备中使用某些有害成分的指令》2.0 版(ROHS 2.0)标准。

  • 产品详细信息

40G 高速铟镓砷(InGaAs)光电探测器


产品特点

  • 带宽范围宽
  • 集成偏置器(Bias-T)
  • 直流耦合(DC Coupled)
  • 密封外壳设计,配备 2.92 型连接器

适用领域

  • 高速光纤通信
  • 雷达信息处理
  • 电子战
  • 高速信号测试与测量
  • 微波光子学


产品选型


典型值与绝对最大额定值

参数

符号

典型值

额定值

单位

储存温度范围

TSTG

-45 ~ +85

-55 ~ +85

工作壳温范围

TC

25

-40 ~ +85

偏置电压

VR

5

5 ~ 6

V

光输入功率

Pin

+3

+10

mW

烧毁光功率

PB


+15

mW

引线焊接温度

Tp

280(10s)

330(10s)


光电器性能参数

参数

符号

最小值

典型值

最大值

单位

备注

响应光谱

λ

1000
1650

nm


小信号带宽(-3dB)

-3dB

35 40

GHz


最大光输入功率

Pm



13

mW

参考备注2,3

响应度

R 0.75 0.85

A/W

参考备注1

幅度平坦度

A

±2


dB


光电二极管偏置电压

Vpd


5 6

V

参考备注3

输出电压驻波比

VSWR


2.5 3



饱和射频输出功率

Pout


-10

dBm


暗电流

Id


1 40

nA


输出阻抗

RL


50

Ω


备注:

1. 测试条件为波长 λ=1310nm、1550nm;

2. 测试条件为温度 25°C、正常偏置;

3. 若器件工作参数超出绝对最大额定值,可能会影响器件可靠性,甚至导致永久性损坏。


典型响应曲线



图 1:40G 光电探测器频率响应曲线



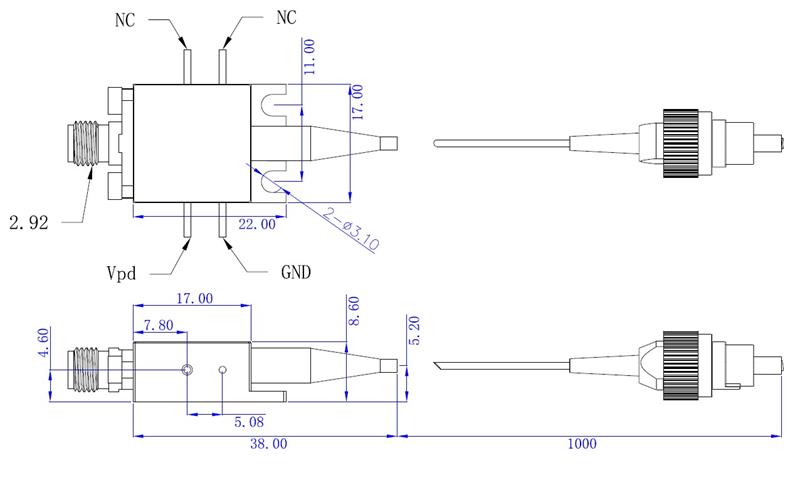
尺寸与引脚(单位:mm)  



订货信息


产品型号

备注

HSPD4040

40GHz 光电探测器接收器,配备单模 FC/APC 光纤连接器



注意事项


为避免光纤损坏,光纤弯曲半径不得小于 20mm;

将光纤连接至光电路前,务必确保光纤耦合端面清洁;

器件在储存、运输及使用过程中,需采取适当的静电放电(ESD)防护措施。



想知道这个产品吗?

发送 信息
留言

如果您对我们的产品感兴趣并想了解更多详细信息,请在此处留言,我们将尽快答复您。

相关产品
高速探测器 高速探测器
针对国内客户高速探测器产品全国产化的需求,广州瑞东经过近2年的研发优化,研制出带宽超过 18GHz 与 40GHz 两款高速 PD 产品。18GHz 上升时间小于 20ps,40GHz PD 上升时间小于 8.5ps,响应度不低于进口 Finisar,thorlabs 等同类进口产品,同时尾部振荡得到了很好的控制。 本系列高速探测器不带TIA,具有非常低的噪声。可用于高速通信系统,飞秒激光器系统的测试,是一款高性价比全国产化产品。瑞东公司自主研发线性电源,可以完全满足高速探测器科研应用的需要。
高速带放大探测器 高速带放大探测器
针对国内客户对高速带放大探测器产品全国产化的需求,广州瑞东推出带宽超过 20GHz 产品。本系列高速探测器自带放大,具有非常低的噪声。可用于高速通信系统,飞秒激光器系统的测试,是一款高性价比全国产化产品。广州瑞东自主研发线性电源,可以完全满足高速探测器科研应用的需要。
Dual Fiber 4CH 1270-1330nm CWDM MUX DEMUX With EXP, LC/UPC, Plug-in LGX Box and 2slot 1U Rack Dual Fiber 4CH 1270-1330nm CWDM MUX DEMUX With EXP, LC/UPC, Plug-in LGX Box and 2slot 1U Rack
Efficient Transmission: It supports 4 channels of 100G signals with dual - fiber transmission, offering a large capacity and a transmission distance of up to 10 km. Scalable: Equipped with an expansion port, it can increase network capacity without the need for new optical fibers. Easy Installation: The plug - in LGX box is designed to fit into a 2 - slot 1U rack. Excellent Performance: With a wavelength range of 1270 - 1330nm, it has multiple good - performing indicators and can adapt to a wide temperature range. Wide Application: It is suitable for multiple industries, especially in areas with scarce optical fiber resources. Customization - friendly: Customized designs are available. You can contact us via email for more details.
1X8磁光开关 1X8磁光开关
Features Solid-state high speed High Stability, High Reliability Epoxy-free on Optical Path Fail-safe latching Applications Aerospace equipment Configurable Add/Drop System monitoring Sensing system
10G DWDM Transceiver 10Gb/s 80km DWDM Tunable SFP Transceiver
Features:                                               Supports 9.95 to 11.3Gb/s bit rates Hot-Pluggable Duplex LC connector DWDM TUNABLE laser transmitter APD photo-detector 50GHz ITU-T Grid, C Band SMF links up to 80km 2-wire interface for management specifications compliant with SFF 8472 digital diagnostic monitoring interface Power Supply :+3.3V Power consumption<2.5W Temperature Range: 0~ 70°C RoHS compliant Applications: Fully Tunable 50GHz DWDM SFP 10GBASE-ZR/ZW Ethernet Sonet OC-192/SDH  SDH STM-64 ITU-T G.959.1 P1L1-2D2 10G Fibre channel DWDM Networks
200G QSFP56 FR4 2KM 200G QSFP56 FR4 2KM LC PAM4 Optical Transceiver
Features 4 duplex channels transmitters and receivers Integrated CWDM LD and PD array LC/UPC connecting interface compliant Single +3.3V power supply DDM function implemented Hot-pluggable QSFP56 form factor Transmission length up to 2km Low power dissipation:
网络分流器 RD-TAP-48Y6C 网络分流器 RD-TAP-48Y6C
产品特性 汇聚和分流功能:支持N:1或N:M端口的汇聚功能;支持1:N或者M:N端口的分流功能; 流量镜像复制功能:支持旁路部署,可同时接入多个镜像口,每个镜像口独立工作灵活复制; 同源同宿:整机支持由不同输入接口的同一条流、IP分片报文的同源同宿处理; 强大过滤功能:支持以内外层VLAN ID、源/目的MAC地址、源IP地址、目的IP地址、三层协议类型、ETHER-TYPE、TCP/UDP 源/目的端口、特征码等元组规则或复合规则过滤,规则支持IPv4和IPv6; 强大的隧道报文识别:不低于2层VLAN、4层MPLS、IPinIP、GTP-U、GRE、VXLAN、ERSPAN隧道报文的识别; 标签处理:支持剥离VLAN、VXLAN和MPLS标签,支持添加VLAN标签; 便利的配置管理功能:支持WEB远程管理、支持串口管理、SSH(SSH2)加密登录管理。
Single fiber 100G DWDM MUX DEMUX 40路 (80波) 单纤双向 DWDM 带INTL端口 波分复用设备
IL<5.5dB , 100GHZ DWDM MUX DEMUX, AAWG Technology Multiplexing of 40 Channels over a Single Fiber Bidi Network with Interleaver filter for long distance application Passive devices, No Power No Cooling Required Support Metro, Regional and Long Haul DWDM Networks
留言
留言
如果您对我们的产品感兴趣并想了解更多详细信息,请在此处留言,我们将尽快答复您。

首页

产品

关于

联系